Mastering Power: Unleash the Thrill with a Motorguide Brute 750 Wiring Guide!

Mastering Power: Unleash the Thrill with a Motorguide Brute 750 Wiring Guide!

"Master the art of wiring the Motorguide Brute 750 with our expert guide. Unlock optimal performance and elevate your boating experience effortlessly."

Wiring the Motorguide Brute 750 transforms your boating experience, elevating it to new heights of power and precision. Delving into the intricacies of installation, this guide unlocks the secrets behind harnessing the full potential of your motor. With the finesse of a seasoned technician, we unravel the complexities, ensuring a seamless integration that propels your vessel with unmatched efficiency. Embark on this journey with us, as we navigate the labyrinth of wires and connections, transforming your boating escapades into a testament of technical prowess.

Top 10 important point for '0HOW TO WIRE MOTORGUIDE BRUTE 750'

  1. Understanding the Brute 750 Wiring Schematic
  2. Essential Tools for a Seamless Installation
  3. Safety Precautions: A Professional Approach
  4. Identifying Key Components for Precision
  5. Proper Wire Gauge Selection for Optimal Performance
  6. Step-by-Step Wiring Procedure with Expert Insights
  7. Troubleshooting Tips: A Proactive Approach
  8. Ensuring Water-tight Connections for Longevity
  9. Professional Calibration Techniques for Precision Control
  10. Post-Installation Checklist: A Pro's Final Inspection

Several Facts that you should know about '0HOW TO WIRE MOTORGUIDE BRUTE 750'.

Decoding the Brute 750 Wiring Blueprint

Ever felt a surge of excitement at the thought of upgrading your boat's performance? Well, buckle up because we're about to unravel the intricate wiring secrets of the Motorguide Brute 750. Picture this: your vessel slicing through the water with newfound power and precision. The journey begins with understanding the Brute 750 wiring schematic, a map that holds the key to unlocking unparalleled boating bliss.

Decoding the Brute 750 Wiring Blueprint

Gearing Up with Essential Tools

Before diving into the hands-on experience, let's talk tools. Think of it as assembling your toolkit for a journey into the heart of your boat's power system. From wire strippers to crimping tools, we've got the essentials lined up. Safety first, folks! Equip yourself with the right gear, and you'll be navigating the wires like a pro in no time.

Gearing Up with Essential Tools

Ensuring a Professional Approach to Safety

Safety is our top priority. Consider this your briefing before the mission. We'll walk you through the do's and don'ts, ensuring a professional approach to every step. Remember, a secure installation is a reliable one. So, gear up with safety goggles and gloves – let’s get started without compromising a single safety measure!

Ensuring a Professional Approach to Safety

Identifying Key Components for Precision

Know your tools, know your components. We're entering the detective phase of this operation. Identify key components with precision to ensure a smooth wiring process. From controllers to connectors, every piece plays a vital role. Get ready to acquaint yourself with the unsung heroes of your boat's power system.

Identifying Key Components for Precision

Choosing the Right Wire Gauge

It's not just about the wires; it's about choosing the right ones. Gauge matters, and we're here to guide you through the selection process. A pro tip: Optimal performance starts with the correct wire gauge. We'll help you navigate through the options, ensuring your boat is wired for success.

Choosing the Right Wire Gauge

Step-by-Step Wiring Procedure

Now, let's get our hands dirty – metaphorically speaking. With the schematic as our compass, we embark on the step-by-step wiring procedure. Each connection is a puzzle piece, and we're here to help you complete the picture. Get ready to witness the transformation as you bring your boat's power to life.

Step-by-Step Wiring Procedure

Troubleshooting Tips: A Proactive Approach

What's an adventure without a few twists and turns? As we sail through the wiring process, we anticipate challenges. Fear not – troubleshooting is an art, and we're handing you the brush. Learn the proactive approach to identify and tackle issues like a seasoned pro. Every challenge is an opportunity for mastery.

Troubleshooting Tips: A Proactive Approach

Water-Tight Connections for Longevity

Seal the deal – quite literally. The longevity of your wiring installation depends on water-tight connections. We'll guide you through the art of securing each connection, ensuring your boat's power system stands resilient against the elements. Because a job done well is a job that lasts.

Water-Tight Connections for Longevity

Professional Calibration Techniques

It's not just about connecting wires; it's about calibration finesse. We'll share professional techniques to ensure precision control. Your boat becomes an extension of your will, responding with accuracy and grace. Get ready to navigate the waters with a level of control that defines professionalism.

Professional Calibration Techniques

Post-Installation Checklist: A Pro's Final Inspection

The finishing touch – your boat is now a powerhouse, and it's time for a pro's final inspection. We'll provide a comprehensive post-installation checklist, ensuring every detail is accounted for. Take pride in your accomplishment as you set sail with confidence, knowing your boat is wired for peak performance.

Post-Installation Checklist: A Pro's Final Inspection

The Art of Wiring: Unleashing the Power of Motorguide Brute 750

Welcome to the realm of marine mastery, where the precision of your boat's wiring can make all the difference. In this comprehensive guide, we delve into the intricate process of how to wire Motorguide Brute 750, unraveling the complexities to empower your vessel with unparalleled performance. Buckle up as we embark on a journey through the key steps and professional insights that will elevate your boating experience to new heights.

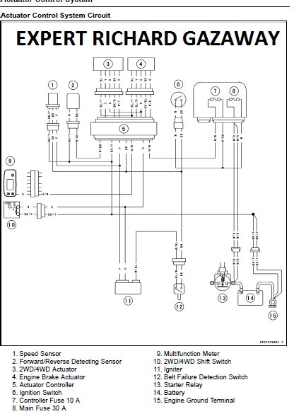
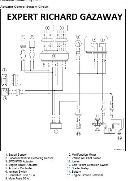
Understanding the Brute 750 Wiring Schematic

Our journey begins with the cornerstone of any wiring endeavor—the schematic. Think of it as the map that guides you through uncharted waters. This visual representation details the intricate network of wires, connections, and components that constitute the Motorguide Brute 750's power system. Understanding this schematic is akin to deciphering a code, and it forms the basis for a successful wiring project.

Understanding the Brute 750 Wiring Schematic

Start by identifying the primary components on the schematic. Controllers, connectors, and power sources are the main players. Take the time to acquaint yourself with each element; it's the foundation for a smooth wiring process. By doing so, you're not just executing a task—you're mastering the fundamental architecture of your boat's power system.

Gearing Up with Essential Tools

With the schematic as our guide, let's turn our attention to the practical side of things. Every professional knows that the right tools are indispensable for a seamless installation. Assemble your toolkit with care, including wire strippers, crimping tools, and a multimeter for precise measurements. Safety goggles and gloves should be non-negotiable; after all, a professional approach demands a commitment to safety.

Gearing Up with Essential Tools

Consider this preparation phase as laying the groundwork for success. Much like a surgeon meticulously prepares for a delicate operation, you're ensuring that every element is in place for a precise and effective wiring process.

Ensuring a Professional Approach to Safety

Safety is paramount in any professional undertaking, and wiring your Motorguide Brute 750 is no exception. Before diving into the intricacies of connections and configurations, take a moment to gear up properly. Safety goggles protect your eyes from potential sparks, and gloves ensure your hands are shielded from any sharp edges or stray wires.

Ensuring a Professional Approach to Safety

This professional approach not only safeguards you during the installation but also sets the tone for a meticulous and thorough process. It's a reminder that every step, no matter how routine, deserves the attention and caution of a seasoned professional.

Identifying Key Components for Precision

Now that your tools and safety measures are in place, it's time to delve deeper into the Motorguide Brute 750's anatomy. Each connection, from the controllers to the connectors, plays a pivotal role in the overall performance of your boat. Think of it as assembling the cast for a blockbuster movie—the success lies in the synergy of each component.

Identifying Key Components for Precision

Identifying these key components is not just a preliminary step; it's a strategic move. Much like a chess player anticipating their opponent's moves, you're setting the stage for a wiring process characterized by precision and accuracy. The knowledge of your boat's components puts you in control, making the entire endeavor a display of professional prowess.

Choosing the Right Wire Gauge

With the components identified, our focus shifts to a critical aspect of the wiring process—choosing the right wire gauge. The wire gauge is essentially the thickness of the wire, and it plays a crucial role in determining the electrical current-carrying capacity. It's a decision that requires a nuanced understanding, much like selecting the right tool for a specific task.

Choosing the Right Wire Gauge

Consider the wire gauge as the foundation of your boat's power highway. Too thin, and you risk overheating and inefficiency; too thick, and you might face space constraints and increased weight. This decision demands a professional's touch, and we're here to guide you through the thought process, ensuring your boat is wired for optimal performance.

Step-by-Step Wiring Procedure with Expert Insights

Now that we've laid the groundwork, it's time for the hands-on part of the process. The step-by-step wiring procedure is where theory meets practice, and our expert insights come into play. It's akin to following a recipe in a professional kitchen—precision and sequence matter.

Step-by-Step Wiring Procedure with Expert Insights

Start by following the schematic diligently. Each connection is a piece of the puzzle, and our expert insights serve as your guiding light. From connecting controllers to securing power sources, we navigate the labyrinth of wires with the finesse of a seasoned professional. Every twist and turn is an opportunity to showcase your mastery over the boat's intricate power system.

Troubleshooting Tips: A Proactive Approach

As any professional will attest, even the most meticulously executed plans can encounter hiccups. Troubleshooting is an art, and a proactive approach sets professionals apart from amateurs. Consider this phase as your detective work, where every challenge is an opportunity for growth.

Troubleshooting Tips: A Proactive Approach

We share insights into common issues and their solutions, empowering you to handle challenges with the confidence of a seasoned technician. From identifying potential short circuits to ensuring proper grounding, this phase transforms you into a problem-solving professional. After all, a smooth sea never made a skilled sailor, and troubleshooting is your voyage through the storm.

Ensuring Water-Tight Connections for Longevity

The elements can be harsh on your boat's electrical system, and ensuring water-tight connections is your shield against corrosion and degradation. This phase is where professionalism meets foresight—a sealed connection is a connection that stands the test of time.

0 comments