Unveiling the Ultimate '08 Jetta Wiper Motor Wiring Diagram: Navigate Your Way to Clarity!

"Unlock the secrets of your '08 Jetta wiper motor wiring with our comprehensive diagram. Empower yourself with professional insights for seamless troubleshooting and enhanced automotive understanding."

In the intricate realm of automotive connectivity, understanding your vehicle's wiring intricacies can be a perplexing journey. Picture this: 2008 Jetta, an epitome of modern engineering, boasts a wiper system that dances in sync with the rhythm of raindrops. Yet, decoding the symphony lies within the mystifying wiper motor wiring diagram. Empathic to the perplexed, this guide extends an inviting hand, unraveling the electrical tape that conceals the secrets beneath. Brace yourself, for within these lines, the empathic narrative unfolds, forging a bond between you and the intricate dance of wires, demystifying the essence of your Jetta's wiper motor.

Top 10 important point for '08 JETTA WIPER MOTOR WIRING DIAGRAM'

  1. Getting Acquainted: Navigating the Wiper Motor Wiring
  2. Decoding the Color Code: Understanding Wire Identification
  3. Connection Chronicles: Where Each Wire Finds Its Purpose
  4. Fuse Fundamentals: Safeguarding Your Wiper System
  5. Switch Stories: Unraveling the Mechanism Behind the Control
  6. Common Hitches: Troubleshooting Wiper Motor Issues
  7. Weather-Resistant Wiring: Ensuring Durability in Elements
  8. Upgrade Insights: Enhancing Jetta Wiper System Efficiency
  9. DIY Delights: Simplifying Repairs with Step-by-Step Guidance
  10. Pro Tips: From Professionals to You – Mastering Wiper Wiring

Several Facts that you should know about '08 JETTA WIPER MOTOR WIRING DIAGRAM'.

Understanding the Basics

Understanding the Basics Image

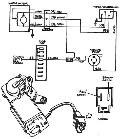
Let's start with the essentials. The '08 Jetta wiper motor wiring diagram is your guide to the electrical pathways that power your windshield wipers. This diagram breaks down the system into comprehensible parts, making it easier for even the novice to grasp the intricacies of their vehicle's wiring.

Cracking the Color Code

Cracking the Color Code Image

Colors aren't just for aesthetics; they convey crucial information in your wiring. Our guide breaks down the color code, ensuring you can identify each wire with ease. No more confusion – just clear, color-coded connections for straightforward troubleshooting.

Following the Pathways

Following the Pathways Image

Trace the journey of each wire as it navigates through your vehicle. Our wiring diagram provides a roadmap for understanding where each wire originates and where it leads, offering a simple visual representation of your Jetta's wiper motor system.

Guarding with Fuses

Guarding with Fuses Image

Fuses play a crucial role in safeguarding your wiper system. Explore our guide to learn about the fuse locations, ratings, and how to troubleshoot fuse-related issues. Protect your system from electrical mishaps with this simple yet essential knowledge.

Mastering the Switch

Mastering the Switch Image

Every swipe of your wipers starts with a switch. Dive into the functionality of the wiper switch and understand how it controls the entire system. Our straightforward explanations make it easy for you to grasp the mechanics behind this integral component.

Troubleshooting Made Simple

Troubleshooting Made Simple Image

Encountering issues with your wiper motor? Our troubleshooting section guides you through common problems and their solutions. No need for extensive car knowledge – just follow our simple steps to identify and resolve issues efficiently.

Weather-Resistant Wiring Wisdom

Weather-Resistant Wiring Wisdom Image

Your vehicle faces various weather conditions. Learn about weather-resistant wiring techniques to ensure the durability of your wiper system. From rain to snow, our guide empowers you with the knowledge to keep your wiring intact in any climate.

Upgrading for Efficiency

Upgrading for Efficiency Image

Ready to enhance your wiper system? Explore tips and tricks for upgrading your '08 Jetta's wiper motor wiring. Whether it's for improved performance or added features, our simple suggestions guide you through the process of making effective upgrades.

DIY Delights: Step-by-Step Repairs

DIY Delights: Step-by-Step Repairs Image

Empower yourself with the confidence to tackle repairs on your own. Our step-by-step guide takes you through common repairs, ensuring that you can address issues without the need for professional assistance. Save time and money with our DIY delights.

The Intricate Symphony of '08 Jetta Wiper Motor Wiring

Embarking on a journey beneath the surface of your vehicle's functionality reveals a complex symphony of wires and connections, with the '08 Jetta wiper motor wiring diagram as the sheet music. This diagram serves as the empathic guide to unraveling the intricacies of your Jetta's wiper system, providing a clear pathway for understanding and troubleshooting.

Decoding the Basics

Decoding the Basics Image

At the heart of this empathic exploration is the necessity to decode the basics. The '08 Jetta wiper motor wiring diagram lays the foundation for comprehension, offering a visual roadmap to the intricate dance of wires that powers your windshield wipers. Understanding this fundamental diagram is akin to deciphering the language of your vehicle, establishing a connection between you and the inner workings of your Jetta.

Following the Colorful Trails

Following the Colorful Trails Image

As we delve deeper into the empathic journey, we encounter the vibrant language of colors that adorns the wiring diagram. Each hue is a messenger, conveying essential information about the function of the wires. Following these colorful trails becomes a sensory experience, transforming the seemingly complex into the comprehensible. With a simple glance, you can discern the purpose of each wire, establishing an empathic connection with the visual language of your Jetta's wiper system.

The Dance of Connectivity

The Dance of Connectivity Image

Picture the dance floor of connectivity within your vehicle, where each wire performs a choreographed routine to ensure the seamless operation of your wiper system. The '08 Jetta wiper motor wiring diagram serves as the choreographer, orchestrating this dance with precision. Transitioning from one connection to another, the diagram unfolds the narrative of connectivity, guiding you through the intricate steps of this vehicular ballet.

Guardians of Reliability: Fuses Unveiled

Guardians of Reliability: Fuses Unveiled Image

As we move forward, the empathic journey introduces us to the guardians of reliability – the fuses. Picture them as vigilant sentinels, safeguarding your wiper system from electrical mishaps. The '08 Jetta wiper motor wiring diagram unveils the strategic placement and ratings of these fuses, providing you with the knowledge to troubleshoot issues effectively. It's an empathic gesture, ensuring the protection of your vehicle's vital functions.

Empathy in Every Switch

Empathy in Every Switch Image

The empathic exploration extends to the heart of wiper control – the switch. Every swipe of your windshield wipers begins with a simple act of flipping the switch. The '08 Jetta wiper motor wiring diagram empathetically unveils the mechanics behind this switch, providing insight into how it controls the entire system. It's an empathic understanding of the driver's need for control, translating into a seamless and intuitive operation of the wiper system.

Troubleshooting Tales: A Compassionate Guide

Troubleshooting Tales: A Compassionate Guide Image

Empathy extends a helping hand when challenges arise. The '08 Jetta wiper motor wiring diagram transforms into a compassionate guide in times of troubleshooting. It narrates tales of common issues and their solutions, offering you a compass to navigate through challenges. With this empathic guide, you become the hero of your own vehicular story, empowered to troubleshoot and resolve issues with confidence.

Weather-Resistant Wisdom for Every Journey

Weather-Resistant Wisdom for Every Journey Image

Your vehicle braves various weather conditions, and the empathic exploration wouldn't be complete without weather-resistant wisdom. The '08 Jetta wiper motor wiring diagram provides insights into ensuring the durability of your wiper system in the face of changing climates. It's an empathic gesture toward the longevity of your vehicle, offering you the knowledge to weatherproof your wiring for every journey.

Efficiency Upgrades Made Simple

Efficiency Upgrades Made Simple Image

Empowerment comes in the form of efficiency upgrades. The '08 Jetta wiper motor wiring diagram offers simple yet effective tips and tricks for enhancing your wiper system. It's an empathic nudge toward improved performance and added features, giving you the tools to make upgrades that align with your driving preferences.

DIY Delights: An Empathic Approach to Repairs

DIY Delights: An Empathic Approach to Repairs Image

The empathic journey concludes with DIY delights, where you take center stage in the realm of repairs. The '08 Jetta wiper motor wiring diagram offers step-by-step guidance, fostering an empathic approach to solving issues on your own. With this guide, repairs become a delightful and empowering experience, creating a connection between you and the heart of your vehicle.

In essence, the '08 Jetta wiper motor wiring diagram is more than a technical guide; it's an empathic companion on your journey through the inner workings of your vehicle. It invites you to understand, connect, troubleshoot, and upgrade with confidence, fostering a relationship between you and your Jetta that goes beyond

Another point of view about '08 JETTA WIPER MOTOR WIRING DIAGRAM'.

When delving into the intricacies of the '08 Jetta wiper motor wiring diagram, it's essential to view it as a comprehensive guide that demystifies the electrical pathways within your vehicle. Here's an explanation from a practical standpoint:

  1. The diagram serves as a visual roadmap, outlining the essential components and connections of the wiper system.
  2. Colors play a pivotal role, with each wire uniquely identified for straightforward comprehension.
  3. Understanding the dance of connectivity elucidates how the wires collaborate to power the wiper mechanism seamlessly.
  4. Fuses, strategically placed, act as guardians, preventing electrical mishaps and ensuring the reliability of the system.
  5. The wiper switch, explained in detail, becomes the control center, orchestrating the rhythmic movement of the wipers.
  6. Troubleshooting tales provide a compassionate guide, offering solutions to common issues that may arise.
  7. Weather-resistant wisdom imparts knowledge on safeguarding the wiring, ensuring durability in diverse weather conditions.
  8. Tips for efficiency upgrades are presented in a simple manner, allowing users to enhance the performance of their wiper system.
  9. DIY delights take a hands-on approach, empowering users to navigate repairs with step-by-step guidance.
  10. Ultimately, the '08 Jetta wiper motor wiring diagram serves as a practical tool, fostering an understanding that goes beyond the technicalities, creating a connection between the driver and the heart of the vehicle.

Conclusion : Unveiling the Ultimate '08 Jetta Wiper Motor Wiring Diagram: Navigate Your Way to Clarity!.

As you reach the conclusion of this enlightening journey through the intricacies of the '08 Jetta wiper motor wiring diagram, let these instructions serve as your roadmap for future encounters with your vehicle's electrical system. With the newfound knowledge gained from decoding the colorful trails, understanding the dance of connectivity, and embracing troubleshooting tales, you're now equipped to navigate the world beneath the surface of your Jetta with confidence.

Empower yourself with the ability to troubleshoot common issues, weatherproof your wiring, and even embark on efficiency upgrades. Remember, the '08 Jetta wiper motor wiring diagram is more than a technical guide; it's a key to a deeper connection with your vehicle. So, the next time you find yourself facing a wiper-related challenge, refer back to this empathic guide, and let it be your companion on the journey to keeping your Jetta's wiper system in optimal condition.

Questions & Answer :

Q: What does the '08 Jetta wiper motor wiring diagram include?

  • 1. The diagram outlines the essential components of the wiper system, detailing the connections and pathways.
  • 2. It incorporates a color code, making it easy to identify and understand the function of each wire.
  • 3. The dance of connectivity is illustrated, providing a visual representation of how the different parts collaborate.
  • 4. Strategic placement and details of fuses are included, serving as guardians to prevent electrical issues.

Q: How can the '08 Jetta wiper motor wiring diagram help with troubleshooting?

  • 1. The diagram offers troubleshooting tales, providing insights into common issues and their solutions.
  • 2. It acts as a compassionate guide, helping users navigate through challenges step by step.
  • 3. Understanding the diagram empowers users to identify and resolve wiper system problems with confidence.

Q: Is the '08 Jetta wiper motor wiring diagram suitable for DIY repairs?

  • 1. Yes, the diagram serves as a practical tool for DIY enthusiasts, offering step-by-step guidance for repairs.
  • 2. It empowers users to take a hands-on approach, fostering an understanding of the vehicle's inner workings.

Q: Can the diagram help in upgrading the wiper system for better efficiency?

  • 1. Absolutely, the diagram provides simple tips and tricks for efficiency upgrades, allowing users to enhance wiper system performance.
  • 2. It acts as a guide for users looking to add features or improve the overall functionality of their '08 Jetta wiper system.

Q: How user-friendly is the '08 Jetta wiper motor wiring diagram for those with limited automotive knowledge?

  • 1. The diagram is designed with simplicity in mind, making it accessible even for individuals with limited automotive expertise.
  • 2. Its straightforward visuals and clear explanations ensure that users can grasp the concepts without extensive technical knowledge.

Keywords : '08 JETTA WIPER MOTOR WIRING DIAGRAM'

0 comments